
Hot Products
產品中心



特點說明
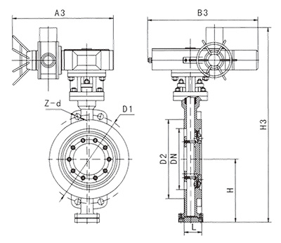
本閥為陶瓷密封蝶閥系列產品,系我公司新開發的長壽命、節能型陶瓷蝶閥。其結構采用三維偏心原理設計,使密封面的空間運動軌跡達到理想化,密封面相互之間無摩擦、無干涉,加之密封材料選擇陶瓷,從而使蝶閥的密封性、耐腐蝕性、耐磨性等都得到了可靠的保證。閥座采用陶瓷密封結構,加工精湛,工藝先進。
本產品由閥體、蝶板、多層次閥座、閥桿、傳動機構等主要部件組成。
其主要特點:1. 開啟力矩小、靈活方便、省力節能;
2. 三維偏心結構,使蝶板越關越緊,其密封性能可靠,達到無泄漏;
3. 耐腐蝕、耐磨性、使用壽命長等。
