
Hot Products
產品中心



特點說明
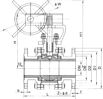
本閥適用于高硬度的顆粒介質,或有軟顆粒但又有腐蝕性的介質管道上作啟閉之用。公稱壓力1.6MPa,適應溫度≤200℃。與介質接觸的部會均為結構陶瓷材料,其化學穩定性及硬度極高(洛氏硬度HRC88),僅次于金剛石。因此,本閥具有極高的耐磨損、耐腐蝕、耐沖蝕性能,且隔熱性好、熱膨脹小。
球體采用先進研磨設備及工藝制造,球園度精度高,表畫質量好,與閥座對研后,利用Zr02陶瓷的自潤滑性,可取得很好的密封性能。
陶瓷良好的耐磨性,讓本閥經久耐用,可靠性極高,使用壽命長,是鈦合金閥和蒙乃爾閥的2—4倍。
